百瑞彩票9299

请留下您宝贵的信息
  • 400-0379-586

产品中心

双列角接触球轴承-ZKLF(N)系列


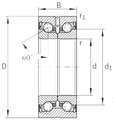
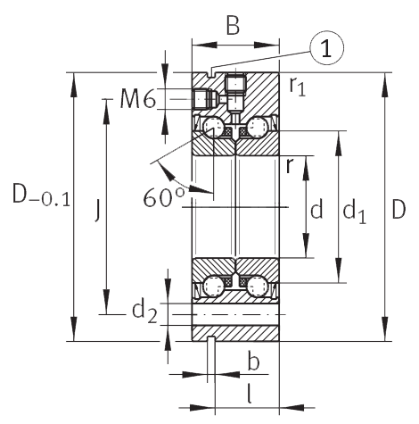
  • 双列角接触球轴承是用于丝杠驱动轴承布置的精密轴承,根据不同系列,他们可以承受径向力以及一个或两个方向的轴向力。接触式密封可以使滚动体免受污染物和水分的侵害。对于较高转速,可采用最小间隙密封。这种轴承有外圈带安装孔和外圈不带安装孔两种类型,带安装孔的轴承…

百瑞彩票9299bearing@hyzcgroup.com

百瑞彩票929918837917076

  • 产品详情


双列角接触球轴承是用于丝杠驱动轴承布置的精密轴承,根据不同系列,他们可以承受径向力以及一个或两个方向的轴向力。接触式密封可以使滚动体免受污染物和水分的侵害。对于较高转速,可采用最小间隙密封。

这种轴承有外圈带安装孔和外圈不带安装孔两种类型,带安装孔的轴承通过螺栓直接安装在相邻结构上,由于没有定位孔德要求或者不需要加工轴承相匹配的轴承端盖,这种解决方案特别经济。

对于某些应用领域,较低精度的轴承布置通常就足够了,因此我们也提供较大公差的轴承。

ZKLF(N)系列双列角接触球轴承


1.png

轴承型号重量尺寸轴向基本额定载荷极限转速固定螺栓拧紧力矩摩擦力矩
KGdDBd1rr1Jd2bI动Cr KN静Cor KN脂rpm规格数量NmNm
ZKLF1255-2RS0.37125525250.30.6426.831716.924.73800M6380.16
ZKLF1255-2Z












7600


0.08
ZKLF1560-2RS0.43156025280.30.6466.831717.9283500M63100.2
ZKLF1560-2Z












7000


0.1
ZKLF1762-2RS0.45176225300.30.6486.831718.8313300M63150.24
ZKLF1762-2Z












6600


0.12
ZKLF2068-2RS0.6120682834.50.30.6536.831926473000M64180.3
ZKLF2068-2Z












5400


0.15
ZKLF2575-2RS0.7225`752840.50.30.6586.831927.5552600M64250.4
ZKLF2575-2Z












4700


0.2
ZKLF3080-2RS0.7830802845.50.30.6636.831929642200M66320.5
ZKLF3080-2Z












4300


0.25
ZKLF30100-2RS1.633010038510.30.6808.8330591082100M88650.8
ZKLF30100-Z












4000


0.4
ZKLF3590-2RS1.13359034520.30.6758.832541892000M84400.6
ZKLF3590-2Z












3800


0.3
ZKLF40100-2RS1.464010034580.30.6808.8325431011800M84550.7
ZKLF40100-2Z












3300


0.35
ZKLF40115-2RS2.24011546650.60.6948.8336721491600M8121101.3
ZKLF40115-2Z












3100


0.65
ZKLF50115-2RS1.865011534720.30.6948.832546.51261500M86850.9
ZKLF50115-2Z












3000


0.45
ZKLF50140-2RS4.75014054800.60.6113113451132501200M1061502.6
ZKLF50140-2Z












2500


1.3
ZKLF60145-2Z4.36014545850.60.61208.8335842143000M881001
ZKLF70155-2Z4.97015545850.60.61308.8335882412800M881301.2
ZKLF80165-2Z5.380165451050.60.61408.8335912652700M881601.4
ZKLF90190-2Z8.790190551200.60.6165113451353952300M1082002.3
ZKLF100200-2Z9.3100200551320.60.6175113451404352150M1082502.6


2.png

轴承型号重量尺寸轴向基本额定载荷极限转速拧紧力矩摩擦力矩
KGdDBd1rr1动Cr KN静Cor KN脂rpmNmNm
ZKLN0619-2Z0.0261912120.30.34.96.11400010.01
ZKLN0624-2RS0.0362415140.30.66.98.5680020.04
ZKLN0624-2Z








12000
0.02
ZKLN0832-2RS0.0983220190.30.612.516.3510040.08
ZKLN0832-2Z








9500
0.04
ZKLN1034-2RS0.1103420210.30.613.418.8460060.12
ZKLN1034-2Z








8600
0.06
ZKLN1242-2RS0.2124225250.30.616.924.7380080.16
ZKLN1242-2Z








7600
0.08
ZKLN1545-2RS0.21154525280.30.617.9283500100.2
ZKLN1545-2Z








7000
0.1
ZKLN1747-2RS0.22174725300.30.618.8313300150.24
ZKLN1747-2Z








6600
0.1
ZKLN2052-2RS0.3120522834.50.30.626473000180.3
ZKLN2052-2Z








5400
0.15
ZKLN2557-2RS0.3425572840.50.30.627.5552600250.4
ZKLN2557-2Z








4700
0.2
ZKLN3062-2RS0.3930622845.50.30.629642200320.5
ZKLN3062-2Z








4300
0.25
ZKLN3072-2RS0.72307238510.30.6591082100650.8
ZKLN3072-2Z








4000
0.4
ZKLN3572-2RS0.51357234520.30.641892000400.6
ZKLN3572-2Z








3800
0.3
ZKLN4075-2RS0.61407534580.30.6431011800550.7
ZKLN4075-2Z








3300
0.35
ZKLN4090-2RS0.95409046650.60.67214916001101.3
ZKLN4090-2Z








3100
0.65
ZKLN5090-2RS0.88509034720.30.646.51261500850.9
ZKLN5090-2Z








3000
0.45
ZKLN50110-2RS2.55011054800.60.611325012001502.6
ZKLN50110-2Z








2500
1.3
ZKLN60110-2Z2.26011045850.60.68421430001001
ZKLN70120-2Z2.47012045950.60.68824128001301.2
ZKLN80130-2Z2.780130451050.60.69126527001601.4
ZKLN90150-2Z4.590150551200.60.613539523002002.3
ZKLN100160-2Z4.9100160551320.60.614043521502502.6


  • 相关产品

双列角接触球轴承-ZKLF(N)系列

  • 在线询价
声明 洛阳鸿元 网站地图 849彩票 - 主页 金彩汇|用户登录 金彩汇9123 - welcome